在线询价
产品展示
首页 > 产品展示
定量给料机 价格: 编号:定量给料机 产地:上海

来自皮带上物料的重量信号和皮带运行的速度信号被一同传到仪表中。通过连续不断的比较设定值与皮带实际输送的物料重量,来不停的 调节皮带运行的速度,因此,使物料流量总能稳定在设定值上。

在线询价
详细内容

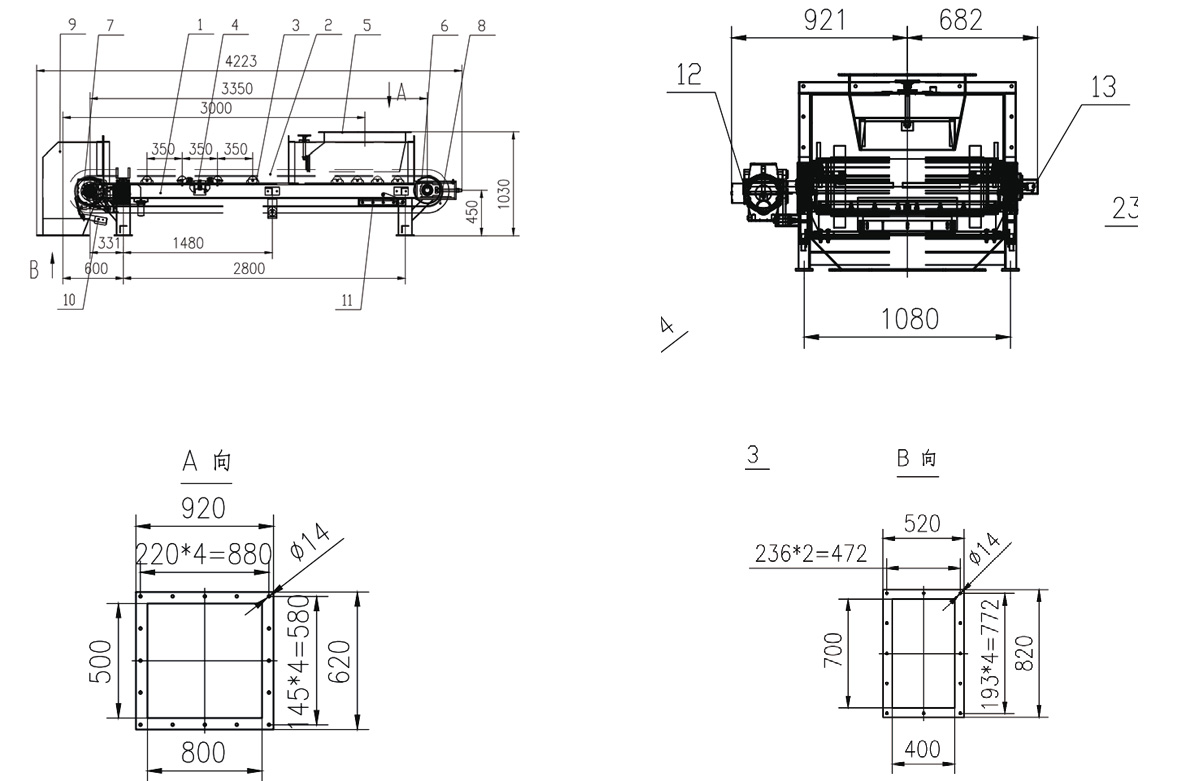
产品尺寸  / Product dimensions

20211228082955_3470.jpg

技术参数 / TECHNICAL PARAMETERS

1、机身支架

2.裙边整芯胶带

3、上平行托辊

4、秤

5、进料漏斗

6、从动滚筒

7、主动滚筒

8.张紧装置

9、头部护罩

10、头部清扫装置

11、内清扫装置

12、电机、减速机

13、测速装置





© 2026 上海宇电仪表科技有限公司  All Rights Reserved.   备案号:沪ICP备2024104466号-1 腾云建站仅向商家提供技术服务